Lille vekselstrømsmotor Leverandører

  • 400W -serie
  • 400W -serie
  • 400W -serie
  • 400W -serie
Lille vekselstrømsmotor

400W -serie

Motorkraft: 400W (1/2HP) Horisontal eller lodret installation

Fase: Enlig fase / tre fase

Gearforhold: 3-1800k

Motorudvælgelse: 3-fase motor 220V-240V/380V-415V, 50Hz/60Hz; 1 fasemotor, 220V, 50Hz/60Hz; 1 fasemotor, 110V, 50Hz / 60Hz

Outputakseldiameter: φ22mm φ28mm φ32mm φ40mm

  • 400W -serie
  • 400W -serie
  • 400W -serie
  • 400W -serie
ANVENDELSE AREAL
Vi er en højteknologisk virksomhed dedikeret til produktion og salg af AC-gearreduktionsmotorer, små reduktionsmotorer, servospecifikke planetariske reduktionsgear, DC børsteløse og børsteløse motorer og andre produkter.
  • Logistik -sortering

  • Automatiske robotter

  • Laserskæring

  • Adgang til kontrolport

  • Photovoltaic Power Station

  • Medicinsk udstyr

  • AGV

Produktbeskrivelse

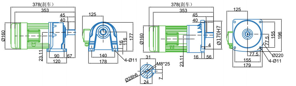
CH22/CV22-400W- (Standardboks 1: 3 ~ 10-forhold) (reduceret boks 1: 15 ~ 90 forhold) Størrelsesdiagram

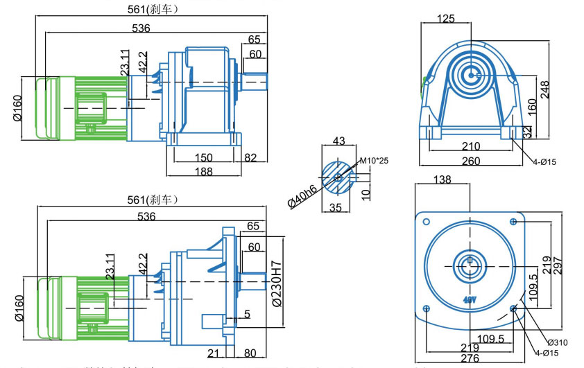
CH32/CV32-400W (1: 210 eller højere forhold) Dimension Diagram

CH28/CV28-400W - (Standardboks 1: 15 ~ 90 forhold) (reduceret boks 1: 100 ~ 200 forhold) Dimensionel tegning

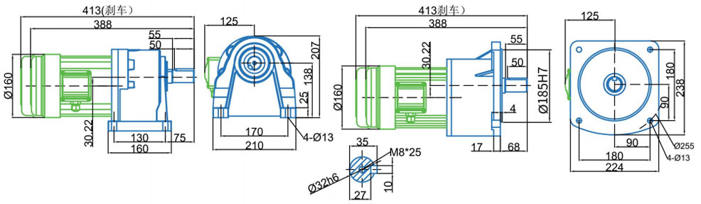
CH40/CV40-400W (1: 210 eller højere forhold) Størrelsesdiagram

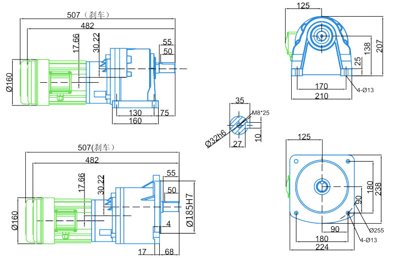
CH32/CV32-400W - (Standard Box 1: 100 ~ 200 Ratio) Dimensionel tegning

ELEKTRISK MASKINPARAMETER

ELEKTRISK MASKINPARAMETER

Power (KW)

Type

Spænding (V)

Frekvens (Hz)

Bedømt strøm (a)

Bedømt rotationshastighed (RMP)

Kondensatorer (μF)

Isoleringsklassificering

Beskyttelsessystem

0,4 kW

1/2hp

Enfase

220v

50Hz

1.1a

1420RMP

16μF 、 100μF

F

IP54

Tre-fase

220V/380V

50Hz

2.1A/1.2A

1420rmp

/

400W- (1: 3-1800 Digital Ratio) Momenttabel

Gera -forhold

3

5

10

15

20

25

30

40

50

60

70

80

90

100

120

140

160

180

200

300

1200

1800

Output R.P.M.

50Hz

500

300

150

100

75

60

50

37

30

25

21.4

18.8

16.7

15

12.5

10.7

9.4

8.4

7.5

5

1.25

0.83

60Hz

600

360

180

120

90

72

60

45

36

30

25.7

22.5

20

18

15

12.9

11.3

10

9

6

1.5

1

Outputmoment kg/m

50Hz

0.7

1.2

2.4

3.6

4.8

6

7.2

9.3

11.6

13.9

16.2

18.4

20.7

23

27.7

32

36

40.8

43.2

70.2

70.2

70.2

60Hz

0.6

1

2

3

4

5

6

7.8

9.7

11.6

13.5

15.4

17.3

19.2

23.1

26.7

30.3

34

36

56.7

56.7

56.7

Hastigheden i tabellen beregnes baseret på motorens nominelle hastighed ved 50Hz/60Hz, 1420R.Min/1732r.Min

Den faktiske hastighed varierer lidt med størrelsen på belastningen med et variationsområde på ca. ± 5%.

+ Forstå detaljerede produktparametre
Kontakt os
  • Upload

Om os
Zhejiang Saiya Intelligent Manufacturing Co., Ltd.
Zhejiang Saiya Intelligent Manufacturing Co., Ltd. Etableret i 2009 med 15 års brancheakkumulering, er en højteknologisk virksomhed med speciale i produktion og salg af mikro-AC-gearmotorer, små AC-gearmotorer, børste-DC-gearmotorer, BLDC børsteløse DC-gearmotorer, præcisionsplanetgearkasser og motorruller... osv. Vi er Kina Engros 400W -serie Leverandører og OEM/ODM 400W -serie Producenter, Saiya-motorer og -gearkasser anvendes i vid udstrækning i industrirobotter, intelligent logistik, nye energimaskiner, AGV-robotter og andre avancerede områder. Derudover spiller de en afgørende rolle inden for fødevareforarbejdning, emballage, tekstiler, elektronik, medicinsk udstyr og specialmaskiner, og tilbyder omkostningseffektive og differentierede løsninger til forskellige industrier. For at forbedre vores fordele inden for differentiering og omkostningseffektivitet har vi vores eget handelsselskab, Hangzhou Saiya Transmission Equipment Co., LTD, beliggende i Hangzhou, Zhejiang, som ligger i nærheden af havnene i Shanghai og Ningbo, til at håndtere indenlandske og udenlandske forretninger. Kombineret med både direkte salg og distribution sikrer vi global distribution og kundesupport, hvilket giver en avanceret økonomisk og pålidelig løsning til alle vores kunder.

Virksomhedskultur

Autentisk Pålidelig
Kvalitet skiller sig naturligt ud.

Kerneværdier: Udvikling af sig selv og omsorg for andre.

Vision:Bliv serviceekspert inden for intelligent transmission.

Vores mission:Levere tjenester af høj kvalitet og skabe værdi for kunderne.

Servicefilosofi:At stræbe efter både materiel og åndelig lykke for alle medarbejdere og bidrage til det menneskelige samfunds fremskridt og udvikling.

  • 2009

    Etablering
  • 80+

    Personale
  • 5+

    Produktionslinie
Nyheder